Механика (Детали машин и основы конструирования) – страница 7
Увеличение силы затяжки винтов клеммового соединения в 2 раза позволит увеличить передаваемый соединением вращающий момент в ____ раза.
Затянутый болт со стандартной метрической резьбой имеет напряжение растяжения
. Его упрощенный расчет на прочность выполняют по зависимости
. Коэффициент 1,3 учитывает …
. Его упрощенный расчет на прочность выполняют по зависимости
. Коэффициент 1,3 учитывает …Разрыв соединяемой детали (толщины
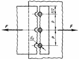
) по сечению, ослабленному отверстиями под заклепки (их число z) при действии силы F, не произойдет, если …

) по сечению, ослабленному отверстиями под заклепки (их число z) при действии силы F, не произойдет, если …
Цилиндрическое зубчатое колесо установлено на вал со шпонкой в редукторе, работающем с переменной нагрузкой; предпочтительной посадкой для такого соединения является …
Условие проверки на быстроходность подшипника качения с собственной частотой вращения n и предельной частотой вращения
…
…Величина, равная отношению предельного напряжения материала детали к расчетному напряжению, называется коэффициентом …



, при действии силы F по формуле
называется …
