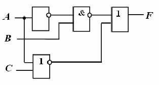
Логической функции Изображение вопроса Логической функции  соответствует логическая схема... соответствует логическая схема …
• 
• 
• 
• 
Тема: Логические основы ЭВМ
Предмет: Информатика