Электротехника и электроника – страница 6
При питании обмотки статора от трехфазной сети в воздушном зазоре асинхронной машины образуется вращающееся с частотой
магнитное поле.
магнитное поле.4 
Логический элемент, условное обозначение которого приведено на рисунке, выполняет операцию логического …

Логический элемент, условное обозначение которого приведено на рисунке, выполняет операцию логического …
Временная диаграмма напряжения на нагрузке выпрямителя с выводом средней точки вторичной обмотки трансформатора изображена на рисунке …
Номинальная мощность понижающего трансформатора для присоединения к сети 35 кВ трехфазного электродвигателя, работающего при номинальном линейном напряжении 6,3 кВ, токе 500 А и
, равна ____
.
, равна ____
.Двигателю со смешанным возбуждением соответствует механическая характеристика …
Действующее значение тока
равно ____ А.
равно ____ А.13 
Нелинейный элемент с заданной ВАХ и линейный элемент с сопротивлением
соединены последовательно. Если напряжение на нелинейном элементе равно 50 В, то напряжение, приложенное к цепи, равно ___ В.

Нелинейный элемент с заданной ВАХ и линейный элемент с сопротивлением
соединены последовательно. Если напряжение на нелинейном элементе равно 50 В, то напряжение, приложенное к цепи, равно ___ В.14 
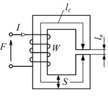
При
магнитных напряжениях на ферромагнитном участке
и воздушном зазоре
эквивалентное магнитное сопротивление цепи 

При
магнитных напряжениях на ферромагнитном участке
и воздушном зазоре
эквивалентное магнитное сопротивление цепи 


− __________ .
то начальная фаза напряжения 
рассчитанная на напряжение
потребляет в номинальном режиме ток 