Электротехника и электроника – страница 57
1 
При нулевых начальных условиях емкостному элементу соответствует операторная эквивалентная схема …

При нулевых начальных условиях емкостному элементу соответствует операторная эквивалентная схема …
4 
При ненулевых начальных условиях индуктивному элементу соответствует операторная эквивалентная схема …

При ненулевых начальных условиях индуктивному элементу соответствует операторная эквивалентная схема …
7 
Если
то после перевода переключателя П из положения I в положение II (см. рис.) постоянная времени цепи
будет равна ____ с.

Если
то после перевода переключателя П из положения I в положение II (см. рис.) постоянная времени цепи
будет равна ____ с.9 
При скачкообразном изменении величины питающего напряжения от
до
напряжение на индуктивной катушке в первый момент после коммутации
увеличится по отношению к напряжению на ней до коммутации
в ______ раз (-а).

При скачкообразном изменении величины питающего напряжения от
до
напряжение на индуктивной катушке в первый момент после коммутации
увеличится по отношению к напряжению на ней до коммутации
в ______ раз (-а).Коэффициент, показывающий отношение численного изменения выходной величины к численному значению входной величины, называется коэффициентом …
Реле, которое срабатывает, когда управляющая величина окажется выше определенного значения, называется …
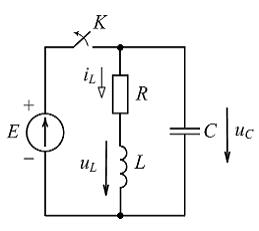
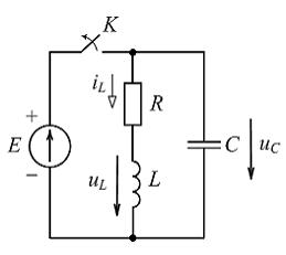
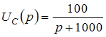
соответствует функция времени 

равен …
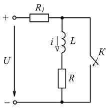
Ток i в катушке после замыкания ключа равен _____ А.
ток 