Электротехника и электроника – страница 54
Если можно пренебречь магнитным потоком рассеяния, то из эквивалентной последовательной схемы замещения катушки с ферромагнитным сердечником можно удалить элемент…


Тормозящий электромагнитный момент в генераторе постоянного тока определяется по формуле…
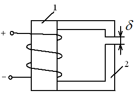
Если незамкнутый магнитопровод катушки состоит из двух различных по сечению участков 1 и 2, то количество однородных участков магнитной цепи равно…


Если синхронный гидрогенератор имеет число параллельных полюсов
, то частота вращения ротора равна…
, то частота вращения ротора равна…Если резисторы имеют сопротивления R1= 2 Ом, R2= 4 Ом, R3= 6 Ом, то эквивалентное сопротивление цепи будет равно…


Если P и Q – активная и реактивная мощности пассивной электрической цепи синусоидального тока, то отношение P к Q равно…
Если период синусоидального тока T составляет 0,002 с, то частота f равна…
При параллельном соединении нелинейных сопротивлений, заданных характеристиками
и
, характеристика эквивалентного сопротивления
строится путем…

и
, характеристика эквивалентного сопротивления
строится путем…

материала…


об/мин, то скольжение
равно…
