Электротехника и электроника – страница 51
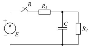
Если при последовательном соединении линейного и нелинейного сопротивлений с характеристиками а и б ток в цепи I = 3А, то напряжение U на зажимах цепи равно…


Если ротор синхронного генератора с числом пар полюсов р вращается с постоянной частотой вращения
, то частота f ЭДС в обмотках статора равна…
, то частота f ЭДС в обмотках статора равна…В цепи обмотки якоря двигателя постоянного тока с параллельным возбуждением устанавливается пусковой реостат R для…


Если число витков первичной обмотки
, а число витков вторичной обмотки
, то коэффициент трансформации трансформатора составит…
, а число витков вторичной обмотки
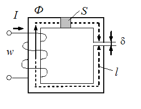
, то коэффициент трансформации трансформатора составит…Магнитное напряжение
измеряется в…
измеряется в…Если при токе I = 0,2 А мощность катушки с ферромагнитным сердечником равна 15 Вт, а ее активное сопротивление равно 250 Ом, то мощность потерь в магнитопроводе равна…




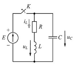
корни характеристического уравнения
Ток 






