Электротехника и электроника – страница 50
Катушка с индуктивностью L и активным сопротивлением R подключается к источнику постоянного напряжения U. Постоянная времени
равна …
равна …2 
Цепь с параметрами
включается на постоянное напряжение
. Чтобы сразу после включения в цепи наступил установившийся режим, конденсатор надо предварительно зарядить до напряжения ___ В.

Цепь с параметрами
включается на постоянное напряжение
. Чтобы сразу после включения в цепи наступил установившийся режим, конденсатор надо предварительно зарядить до напряжения ___ В.3 
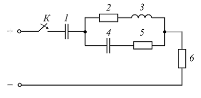
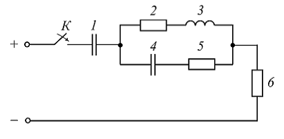
При полностью разряженных конденсаторах в первый момент после коммутации равны нулю токи в элементах цепи …

При полностью разряженных конденсаторах в первый момент после коммутации равны нулю токи в элементах цепи …
6 

Для цепи (рис. 1) с параметрами
при
построены (рис. 2) графики зависимостей токов
от
где
− время после коммутации,
− постоянная времени.
Зависимости
соответствует характеристика …


Для цепи (рис. 1) с параметрами
при
построены (рис. 2) графики зависимостей токов
от
где
− время после коммутации,
− постоянная времени.Зависимости
соответствует характеристика …8 
Экспериментальным путем была снята зависимость
при включении цепи на постоянное напряжение (см. рис.). Постоянная времени
равна _____ с.

Экспериментальным путем была снята зависимость
при включении цепи на постоянное напряжение (см. рис.). Постоянная времени
равна _____ с.9 
Цепь с параметрами
включается на постоянное напряжение
. Начальное значение тока в резисторе
его конечное значение
равно ____ А.

Цепь с параметрами
включается на постоянное напряжение
. Начальное значение тока в резисторе
его конечное значение
равно ____ А.Конденсатор емкостью С, заряженный до напряжения U, разряжается на резистор с сопротивлением R. Через время
напряжение на конденсаторе уменьшится в ____ раз.
напряжение на конденсаторе уменьшится в ____ раз.11 

Для цепи (рис. 1) с параметрами
при
построены (рис. 2) графики зависимостей токов
после замыкания ключа от
где
− время после коммутации,
− постоянная времени.
Зависимости
соответствует характеристика …


Для цепи (рис. 1) с параметрами
при
построены (рис. 2) графики зависимостей токов
после замыкания ключа от
где
− время после коммутации,
− постоянная времени.Зависимости
соответствует характеристика …12 
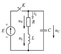
В изображенной цепи с параметрами

после размыкания ключа ток
напряжение
Напряжение на емкостном элементе 

В изображенной цепи с параметрами


после размыкания ключа ток
напряжение
Напряжение на емкостном элементе 
14 
При полностью разряженных конденсаторах в первый момент времени после коммутации возникнут напряжения на элементах …

При полностью разряженных конденсаторах в первый момент времени после коммутации возникнут напряжения на элементах …



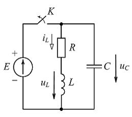
после размыкания ключа ток
Напряжение на индуктивном элементе 

после замыкания выключателя В (см. рис.) равно …

начальное значение тока 

после замыкания выключателя В равно …
;
после размыкания ключа характеристическое уравнение цепи имеет корни: 