Электротехника и электроника – страница 42
1 
Если при неизменной амплитуде и частоте напряжения идеализированной катушки увеличить длину
немагнитного зазора, то …

Если при неизменной амплитуде и частоте напряжения идеализированной катушки увеличить длину
немагнитного зазора, то …2 
Сила
, действующая на помещенный в однородное магнитное поле с магнитной индукцией
прямолинейный проводник длиной l с током I, равна …

Сила
, действующая на помещенный в однородное магнитное поле с магнитной индукцией
прямолинейный проводник длиной l с током I, равна …3

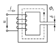
В изображенной магнитной цепи намагничивающая обмотка с числом витков
плотно навита на кольцевой сердечник сечением
из литой стали. Кольцо имеет воздушный зазор
Средняя длина сердечника
При
ток в намагничивающей катушке 

В изображенной магнитной цепи намагничивающая обмотка с числом витков
плотно навита на кольцевой сердечник сечением
из литой стали. Кольцо имеет воздушный зазор
Средняя длина сердечника
При
ток в намагничивающей катушке 
5 При
отношение максимального момента к номинальному моменту синхронного двигателя (перегрузочная способность)
равно …
отношение максимального момента к номинальному моменту синхронного двигателя (перегрузочная способность)
равно …7 
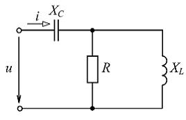
При
комплексное входное сопротивление цепи (см. рис.)
напряжение
__________ по фазе от тока i на угол …

При
комплексное входное сопротивление цепи (см. рис.)
напряжение
__________ по фазе от тока i на угол …Наименьший промежуток времени, через который цикл колебаний тока
повторяется, равен …
повторяется, равен …9 
В генераторе постоянного тока с параллельным возбуждением при снижении частоты вращения ротора n в два раза напряжение U на его зажимах в режиме холостого хода …

В генераторе постоянного тока с параллельным возбуждением при снижении частоты вращения ротора n в два раза напряжение U на его зажимах в режиме холостого хода …
10 
Если известны показания приборов
а также активное сопротивление
обмотки, то мощность
магнитных потерь в сердечнике равна …

Если известны показания приборов
а также активное сопротивление
обмотки, то мощность
магнитных потерь в сердечнике равна …11 
Между абсолютными магнитными проницаемостями в точках 1, 2 и 3 кривой намагничивания магнитопровода (см. рис.) справедливо соотношение …

Между абсолютными магнитными проницаемостями в точках 1, 2 и 3 кривой намагничивания магнитопровода (см. рис.) справедливо соотношение …
Если на входе усилителя действует ЭДС
входной ток
внутреннее сопротивление источника ЭДС
то входное сопротивление
усилителя равно ____ Ом.
входной ток
внутреннее сопротивление источника ЭДС
то входное сопротивление
усилителя равно ____ Ом.
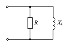
(см. рис.), то ток
равен ___ А.


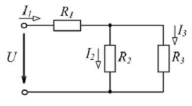
полное сопротивление Z изображенного участка цепи равно _____ Ом.