Электротехника и электроника – страница 41
2 
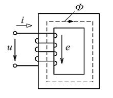
Если на обмотке идеализированной катушки с ферромагнитным сердечником напряжение
то начальная фаза магнитного потока Ф равна …

Если на обмотке идеализированной катушки с ферромагнитным сердечником напряжение
то начальная фаза магнитного потока Ф равна …3 
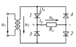
В однополупериодном выпрямителе с идеальным трансформатором и вентилем максимальное обратное напряжение на вентиле
При
коэффициент трансформации n трансформатора равен …

В однополупериодном выпрямителе с идеальным трансформатором и вентилем максимальное обратное напряжение на вентиле
При
коэффициент трансформации n трансформатора равен …5 
Если в генераторе постоянного тока с независимым возбуждением при
понизить частоту вращения ротора n в два раза, то напряжение U на зажимах генератора в режиме холостого хода …

Если в генераторе постоянного тока с независимым возбуждением при
понизить частоту вращения ротора n в два раза, то напряжение U на зажимах генератора в режиме холостого хода …6 
На рисунках представлены взаимные положения векторов скорости
частиц с зарядами
и
, магнитной индукции
и силы
, действующей со сторон магнитного поля на движущиеся в нем заряженные частицы. Верным является взаимное положение векторов
,
и
на рисунке …

На рисунках представлены взаимные положения векторов скорости
частиц с зарядами
и
, магнитной индукции
и силы
, действующей со сторон магнитного поля на движущиеся в нем заряженные частицы. Верным является взаимное положение векторов
,
и
на рисунке …7 
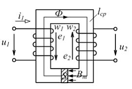
В изображенной на рисунке схеме замещения обмотки с магнитопроводом ЭДС от потока в магнитопроводе учитывается с помощью элемента с сопротивлением …

В изображенной на рисунке схеме замещения обмотки с магнитопроводом ЭДС от потока в магнитопроводе учитывается с помощью элемента с сопротивлением …
9 
При заданном положительном направлении ЭДС Е положительные направления тока I и напряжения U источника указаны стрелками _________ соответственно.

При заданном положительном направлении ЭДС Е положительные направления тока I и напряжения U источника указаны стрелками _________ соответственно.
10 
На изображенной схеме приемник П присоединен к сети переменного тока через трансформатор мощностью
Коэффициент мощности приемника
Паспортные потери холостого хода и короткого замыкания трансформатора
и
. Максимальный КПД трансформатора
при коэффициенте нагрузки трансформатора 

На изображенной схеме приемник П присоединен к сети переменного тока через трансформатор мощностью
Коэффициент мощности приемника
Паспортные потери холостого хода и короткого замыкания трансформатора
и
. Максимальный КПД трансформатора
при коэффициенте нагрузки трансформатора 
11 
В мостовом однофазном выпрямителе вентили и трансформатор – идеальные. При среднем значении выпрямительного напряжения
максимальная величина обратного напряжения на вентилях 

В мостовом однофазном выпрямителе вентили и трансформатор – идеальные. При среднем значении выпрямительного напряжения
максимальная величина обратного напряжения на вентилях 
13 
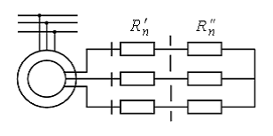
На рисунке изображена схема включения асинхронного двигателя с фазным ротором с двухступенчатым пусковым реостатом. Полное приведенное сопротивление
пускового реостата принимают равным …

На рисунке изображена схема включения асинхронного двигателя с фазным ротором с двухступенчатым пусковым реостатом. Полное приведенное сопротивление
пускового реостата принимают равным …14 
Магнитное сопротивление магнитопровода равно магнитному сопротивлению воздушного зазора. Если при неизмененной индукции увеличить длину зазора в 2 раза, то ток в обмотке …

Магнитное сопротивление магнитопровода равно магнитному сопротивлению воздушного зазора. Если при неизмененной индукции увеличить длину зазора в 2 раза, то ток в обмотке …

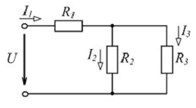
(см. рис.), то напряжение U на зажимах цепи, равно ___ В.

действующее значение напряжения
в цепи, показанной на рисунке, равно ___ В.
и
комплексное сопротивление идеального конденсатора
равно ___ Ом.