Электротехника и электроника – страница 38
2 
Статорной обмотке синхронного двигателя соответствуют упрощенные схема замещения и векторная диаграмма под номерами ____ соответственно.

Статорной обмотке синхронного двигателя соответствуют упрощенные схема замещения и векторная диаграмма под номерами ____ соответственно.
3 
Изображенные механические характеристики соответствуют двигателю постоянного тока ____________ возбуждения при ____________ регулировании частоты вращения.

Изображенные механические характеристики соответствуют двигателю постоянного тока ____________ возбуждения при ____________ регулировании частоты вращения.
5

В изображенной магнитной цепи магнитодвижущая сила намагничивающей обмотки
. При
магнитное сопротивление цепи 

В изображенной магнитной цепи магнитодвижущая сила намагничивающей обмотки
. При
магнитное сопротивление цепи 
7 
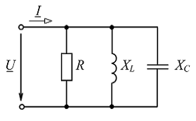
Для приведенной схемы количество независимых уравнений, составляемых по первому закону Кирхгофа, равно …

Для приведенной схемы количество независимых уравнений, составляемых по первому закону Кирхгофа, равно …
8 
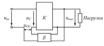
На рисунке изображена структурная схема усилителя с последовательной отрицательной связью по напряжению. При коэффициенте усиления усилителя без обратной связи К = 120, коэффициенте передачи цепи обратной связи
коэффициент усиления усилителя с отрицательной обратной связью по напряжению
равен …

На рисунке изображена структурная схема усилителя с последовательной отрицательной связью по напряжению. При коэффициенте усиления усилителя без обратной связи К = 120, коэффициенте передачи цепи обратной связи
коэффициент усиления усилителя с отрицательной обратной связью по напряжению
равен …10 
Статические сопротивления нелинейного элемента с заданной вольт-амперной характеристикой при напряжении, равном 2 и 8 В, соответственно равны ____ кОм.

Статические сопротивления нелинейного элемента с заданной вольт-амперной характеристикой при напряжении, равном 2 и 8 В, соответственно равны ____ кОм.
11 
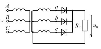
В трехфазном выпрямителе (см. рис.) с идеальными трансформатором и вентилями отношение
где
– среднее значение выпрямленного напряжения,
– действующее фазное напряжение вторичной обмотки трансформатора.

В трехфазном выпрямителе (см. рис.) с идеальными трансформатором и вентилями отношение
где
– среднее значение выпрямленного напряжения,
– действующее фазное напряжение вторичной обмотки трансформатора.Максимальный момент
асинхронного двигателя не зависит от …
асинхронного двигателя не зависит от …Неявнополюсному синхронному генератору соответствуют упрощенные (без учета активного падения напряжения в обмотке якоря) схема замещения и векторная диаграмма …
Мгновенное значение синусоидального напряжения
Комплексное действующее значение
этого напряжения равно ___ В.
Комплексное действующее значение
этого напряжения равно ___ В.

на входе цепи, показанной на рисунке, опережает по фазе напряжение
при …

(см. рис.) не изменится ток …