Электротехника и электроника – страница 35
Если внутреннее сопротивление
источника электрической энергии много меньше сопротивления нагрузки, то есть
то такой источник характеризуется внешней характеристикой, показанной на рисунке …
источника электрической энергии много меньше сопротивления нагрузки, то есть
то такой источник характеризуется внешней характеристикой, показанной на рисунке …4 
На рисунке приведены зависимости тока через резисторы от напряжения на них. Наименьшим сопротивлением обладает резистор …

На рисунке приведены зависимости тока через резисторы от напряжения на них. Наименьшим сопротивлением обладает резистор …
14 
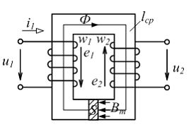
В идеализированном трансформаторе при
величина магнитной индукции В в сердечнике трансформатора зависит от …

В идеализированном трансформаторе при
величина магнитной индукции В в сердечнике трансформатора зависит от …


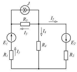
(см. рис.) не изменятся токи …
При
мгновенное значение этого тока
равно ___ А.
и
комплексное сопротивление идеального индуктивного элемента
равно ___ Ом.


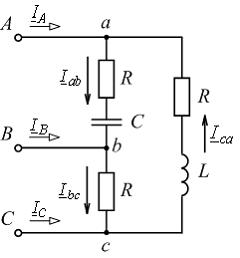
цепи, показанной на рисунке, равна …