Электротехника и электроника – страница 34
1 
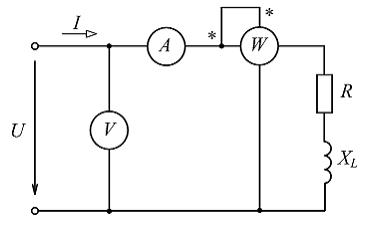
Включенные измерительные приборы (см. рис.) показали: вольтметр – 120 В, амперметр – 12 А, ваттметр – 864 Вт.
Сопротивление
равно ____ Ом.

Включенные измерительные приборы (см. рис.) показали: вольтметр – 120 В, амперметр – 12 А, ваттметр – 864 Вт.
Сопротивление
равно ____ Ом.3 
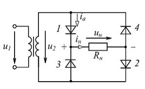
В мостовом однофазном выпрямителе вентили и трансформатор – идеальные. При средних значениях токов в вентилях
среднее значение тока в сопротивлении нагрузки 

В мостовом однофазном выпрямителе вентили и трансформатор – идеальные. При средних значениях токов в вентилях
среднее значение тока в сопротивлении нагрузки 
8 
В точке А вольт-амперной характеристики нелинейного элемента (см. рис.) дифференциальное сопротивление
равно …

В точке А вольт-амперной характеристики нелинейного элемента (см. рис.) дифференциальное сопротивление
равно …11 
На рисунке приведены зависимости тока через резисторы от напряжения на них. Наибольшей проводимостью обладает резистор …

На рисунке приведены зависимости тока через резисторы от напряжения на них. Наибольшей проводимостью обладает резистор …
12 
На изображенной схеме приемник П, потребляющий активную мощность
при
подключен к электрической сети через однофазный трансформатор номинальной мощностью
Коэффициент нагрузки трансформатора
равен …

На изображенной схеме приемник П, потребляющий активную мощность
при
подключен к электрической сети через однофазный трансформатор номинальной мощностью
Коэффициент нагрузки трансформатора
равен …13 
На рисунке изображена схема машины постоянного тока. При смещении щеток 1 с геометрической нейтрали
наводимая в обмотке якоря 2 ЭДС …

На рисунке изображена схема машины постоянного тока. При смещении щеток 1 с геометрической нейтрали
наводимая в обмотке якоря 2 ЭДС …14

В изображенной магнитной цепи намагничивающая обмотка с числом витков
плотно навита на кольцевой сердечник из литой стали. Средняя длина сердечника
При магнитной индукции
ток в намагничивающей обмотке 

В изображенной магнитной цепи намагничивающая обмотка с числом витков
плотно навита на кольцевой сердечник из литой стали. Средняя длина сердечника
При магнитной индукции
ток в намагничивающей обмотке 
15 
Сила
действующая на помещенный в однородное магнитное поле с индукцией
проводник с током
направлена по …

Сила
действующая на помещенный в однородное магнитное поле с индукцией
проводник с током
направлена по …
Мгновенное значение этого напряжения
равно …

ток
(см. рис.) равен ____ А.
в идеальном конденсаторе угол сдвига фаз
между напряжением
и током
равен …
то ток
равен ____ А.

. Потребляемая приемником мощность
равна ___ Вт.