Электротехника и электроника – страница 33
2 
Изображенная на рисунке зависимость полного сопротивления z от угловой частоты
соответствует ____________ элементу(-ов).

Изображенная на рисунке зависимость полного сопротивления z от угловой частоты
соответствует ____________ элементу(-ов).4 
На рисунке изображена схема замещения цепи якоря генератора постоянного тока. При
момент приводного двигателя равен ___ 

На рисунке изображена схема замещения цепи якоря генератора постоянного тока. При
момент приводного двигателя равен ___ 
Асинхронная машина при
(
− частота вращения магнитного поля,
− частота вращения ротора) работает в режиме …
(
− частота вращения магнитного поля,
− частота вращения ротора) работает в режиме …Зависимость момента M от угла
− это ____________ характеристика синхронной машины.
− это ____________ характеристика синхронной машины.7 
Пассивный двухполюсник с входным сопротивлением
подключен к активному двухполюснику с параметрами
(см. рис.). При этом КПД источника энергии равен …

Пассивный двухполюсник с входным сопротивлением
подключен к активному двухполюснику с параметрами
(см. рис.). При этом КПД источника энергии равен …9 
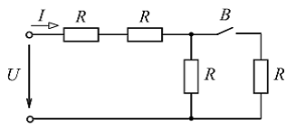
В изображенной схеме
и при разомкнутом выключателе В ток
При замкнутом выключателе ток I будет равен ___ А.

В изображенной схеме
и при разомкнутом выключателе В ток
При замкнутом выключателе ток I будет равен ___ А.10 
На рисунке приведены вольт-амперные характеристики четырех резистивных элементов. При увеличении напряжения статическое сопротивление увеличивается у элемента …

На рисунке приведены вольт-амперные характеристики четырех резистивных элементов. При увеличении напряжения статическое сопротивление увеличивается у элемента …
12 
На рисунке изображены коллекторные (выходные) характеристики транзистора и линия нагрузки усилительного каскада с общим эмиттером. Точкой отсечки является точка …

На рисунке изображены коллекторные (выходные) характеристики транзистора и линия нагрузки усилительного каскада с общим эмиттером. Точкой отсечки является точка …
13

В изображенной магнитной цепи намагничивающая обмотка с числом витков
плотно навита на кольцевой сердечник из литой стали. Средняя длина сердечника
При магнитной индукции
магнитодвижущая сила намагничивающей обмотки 

В изображенной магнитной цепи намагничивающая обмотка с числом витков
плотно навита на кольцевой сердечник из литой стали. Средняя длина сердечника
При магнитной индукции
магнитодвижущая сила намагничивающей обмотки 
При подключении идеализированной катушки с магнитопроводом к источнику синусоидального напряжения несинусоидальным оказывается …
Магнитное поле, во всех точках которого векторы магнитной индукции
равны по величине и параллельны, называется …
равны по величине и параллельны, называется …
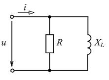
синусоидального напряжения
его действующее значение …
ток i ___________ по фазе от напряжения u на угол
равный …
то ток I равен ____ А.