Электротехника и электроника – страница 32
2 
Если показания приборов
то входное сопротивление пассивного двухполюсника (см. рис.) равно ____ Ом.

Если показания приборов
то входное сопротивление пассивного двухполюсника (см. рис.) равно ____ Ом.4

В изображенной магнитной цепи кольцевой сердечник сечением
из литой стали имеет разрез (воздушный зазор)
Средняя длина сердечника
При
магнитное напряжение на воздушном зазоре 

В изображенной магнитной цепи кольцевой сердечник сечением
из литой стали имеет разрез (воздушный зазор)
Средняя длина сердечника
При
магнитное напряжение на воздушном зазоре 
6 
Кольцевой сердечник из электротехнической стали с заданной кривой намагничивания имеет воздушный зазор. Напряженность магнитного поля в стали
Напряженность магнитного поля в зазоре
равна ____ 

Кольцевой сердечник из электротехнической стали с заданной кривой намагничивания имеет воздушный зазор. Напряженность магнитного поля в стали
Напряженность магнитного поля в зазоре
равна ____ 
10 
В идеализированной индуктивной катушке с ферромагнитным магнитопроводом при
амплитуда магнитного потока
не зависит от …

В идеализированной индуктивной катушке с ферромагнитным магнитопроводом при
амплитуда магнитного потока
не зависит от …11 
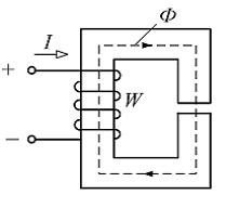
Если в катушке с числом витков
ток
магнитный поток в сердечнике
то магнитное сопротивление магнитопровода с зазором равно ____ 1/Гн.

Если в катушке с числом витков
ток
магнитный поток в сердечнике
то магнитное сопротивление магнитопровода с зазором равно ____ 1/Гн.Максимальный момент синхронного неявнополюсного двигателя не зависит от …
Трансформация напряжений и токов при передаче энергии трансформатором сопровождается потерями энергии: магнитными
– в магнитопроводе и электрическими
– в обмотках трансформатора. Магнитные потери определяются по данным опыта …
– в магнитопроводе и электрическими
– в обмотках трансформатора. Магнитные потери определяются по данным опыта …Регулирование частоты вращения изменением напряжения, подводимого к якорю, применяют для двигателей постоянного тока __________ возбуждения.
15 
Два одинаковых нелинейных элемента с заданной (см. рис.) вольт-амперной характеристикой соединены последовательно. Если напряжение на входе цепи
то ток
в цепи равен ____ мА.

Два одинаковых нелинейных элемента с заданной (см. рис.) вольт-амперной характеристикой соединены последовательно. Если напряжение на входе цепи
то ток
в цепи равен ____ мА.


(см. рис.) вырабатываемая источником мощность
равна ___ Вт.
действующее значение ЭДС самоиндукции равно ____ В.
если сигналы на ее входах
и
соответственно равны …