Электротехника и электроника – страница 13
Для расчета токов в ветвях заданной схемы необходимо составить по первому закону Кирхгофа __________ уравнение(-я), по второму закону Кирхгофа – ____________ уравнение(-я).


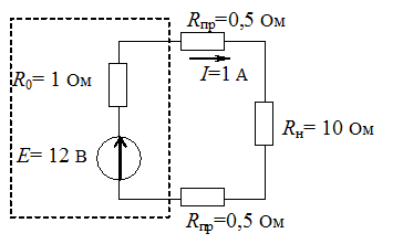
Источник через соединительные провода подключается к нагрузке. Мощность потерь 1 источника равна _______ Вт.


Выражению для определения силы тока на участке «ab»
соответствует схема…
соответствует схема…При расчете тока
методом эквивалентного генератора ЭДС
и внутреннее сопротивление
эквивалентного генератора равны…

методом эквивалентного генератора ЭДС
и внутреннее сопротивление
эквивалентного генератора равны…
Источник через соединительные провода подключается к нагрузке. Мощность, переданная нагрузке, равна…


Если все резисторы имеют одинаковые сопротивления R = 10 Ом, то эквивалентное сопротивление цепи будет равно …


в момент коммутации равна…
уравнение по методу контурных токов имеет вид …




напряжение U равно _____ В.
, уравнение по второму закону Кирхгофа имеет вид…
