Электротехника и электроника – страница 11
1 Ток
в емкостном элементе…
в емкостном элементе…Амплитуда тока
А равна…
А равна…7 ЭДС
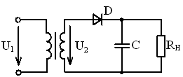
, индуцируемые в обмотках трансформатора переменным магнитным потоком, соответственно равны…
, индуцируемые в обмотках трансформатора переменным магнитным потоком, соответственно равны…11 Если f = 50 Гц, то угловая частота
равна…
равна…


рад/с, индуктивность
Гн, то индуктивное сопротивление
равно…

