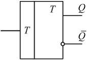
Условное обозначение универсильного триггера приведено на рисунке …
• 
• 
• 
• 
Тема: Основы цифровой электроники
Предмет: Электротехника и электроника