Электротехника и электроника (Основы теории цепей) – страница 5
2

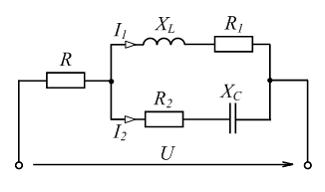
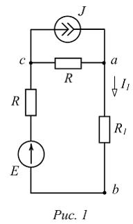
Для определения тока
в схеме рис. 1 методом эквивалентного генератора составлена эквивалентная схема рис. 2. Если
то ЭДС
эквивалентного генератора равна …

Для определения тока
в схеме рис. 1 методом эквивалентного генератора составлена эквивалентная схема рис. 2. Если
то ЭДС
эквивалентного генератора равна …4

На рисунках приведены схема электромагнита, в воздушном зазоре которого должна быть создана магнитная индукция
, и кривая намагничивания
материала сердечника. МДС катушки электромагнита 

На рисунках приведены схема электромагнита, в воздушном зазоре которого должна быть создана магнитная индукция
, и кривая намагничивания
материала сердечника. МДС катушки электромагнита 
Магнитные потоки в магнитных цепях, не содержащих постоянные магниты, создают катушки (обмотки) с токами. Величина, вызывающая появление магнитного потока в магнитной цепи, – это _________ катушки.
7 
Для преобразования переменного напряжения в постоянное могут быть использованы нелинейные элементы, вольт-амперные характеристики которых изображены на рисунках …

Для преобразования переменного напряжения в постоянное могут быть использованы нелинейные элементы, вольт-амперные характеристики которых изображены на рисунках …
Воздушная линия имеет первичные параметры:
Для того, чтобы эта линия была неискажающей, ее индуктивность
должна быть равна ___ Гн/км.
Для того, чтобы эта линия была неискажающей, ее индуктивность
должна быть равна ___ Гн/км.Волна напряжения длиной
перемещается при частоте
вдоль линии с распределенными параметрами с фазовой скоростью
, равной ____ км/с.
перемещается при частоте
вдоль линии с распределенными параметрами с фазовой скоростью
, равной ____ км/с.
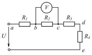
подключить резистор с сопротивлением
к точкам …


мощность источника тока
равна ___ Вт.
индуктивное сопротивление
равно ___ Ом.

равен …
суммарная мощность Р пассивных приемников равна ____ Вт.