Электротехника и электроника (Основы теории цепей) – страница 4
Для четырехполюсника с известными уравнениями в А-форме

коэффициент передачи напряжения
при холостом ходе равен …

коэффициент передачи напряжения
при холостом ходе равен …Известны характеристические параметры симметричного четырехполюсника
и
Коэффициент фазы
этого четырехполюсника равен …
и
Коэффициент фазы
этого четырехполюсника равен …7 
Нелинейный элемент с заданной вольт-амперной характеристикой и линейный элемент с сопротивлением
соединены последовательно. При токе
статическое сопротивление нелинейного элемента
ЭДС источника
соответственно.

Нелинейный элемент с заданной вольт-амперной характеристикой и линейный элемент с сопротивлением
соединены последовательно. При токе
статическое сопротивление нелинейного элемента
ЭДС источника
соответственно.9 
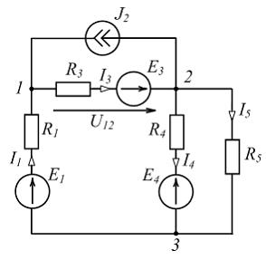
Для изображенной схемы
. Воздействие всей цепи на ветвь с сопротивлением
можно заменить воздействием эквивалентного генератора, у которого
,
.

Для изображенной схемы
. Воздействие всей цепи на ветвь с сопротивлением
можно заменить воздействием эквивалентного генератора, у которого
,
.Основными величинами, используемыми при расчете магнитных цепей, являются магнитная индукция
напряженность магнитного поля
, магнитный поток
магнитодвижущая сила
катушки (или обмотки). В теслах (Тл) измеряется величина …
напряженность магнитного поля
, магнитный поток
магнитодвижущая сила
катушки (или обмотки). В теслах (Тл) измеряется величина …11 
В цепи действует источник периодического несинусоидального тока
. Совпадает по форме с кривой тока
кривая напряжения …

В цепи действует источник периодического несинусоидального тока
. Совпадает по форме с кривой тока
кривая напряжения …Частота f синусоидального тока
равна ____ Гц.
равна ____ Гц.Если известна постоянная передачи γ симметричного четырехполюсника, то его передаточная функция по напряжению
при согласованной нагрузке равна …
при согласованной нагрузке равна …
линии с первичными параметрами
при частоте
равна …
четырехполюсника равно ____ Ом.



то активное сопротивление R цепи равно ___ Ом.