Электротехника и электроника (Основы теории цепей) – страница 32
Экономичное плавное регулирование частоты вращения асинхронных двигателей с короткозамкнутым ротором в широких пределах достигается …
Для подключения трехфазного электродвигателя (

) к сети
необходим трансформатор номинальной мощностью ______ кВ·А.

) к сети
необходим трансформатор номинальной мощностью ______ кВ·А.7 
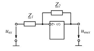
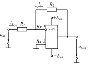
На рисунке приведена структурная схема усилителя на операционном усилителе с отрицательной обратной связью. При чисто активных сопротивлениях
и
усилитель является …

На рисунке приведена структурная схема усилителя на операционном усилителе с отрицательной обратной связью. При чисто активных сопротивлениях
и
усилитель является …Уравнения четырехполюсника, в которых в качестве независимых переменных выбраны напряжения
и
называются уравнениями в …
и
называются уравнениями в …Явнополюсной ротор с обмоткой, присоединенной к посаженным на вал двум контактным кольцам, имеют …
На электрической станции в начале линии электропередачи (ЛЭП) устанавливают повышающие трансформаторы для …
ток
равен ___ А.
равна …



ротор асинхронного двигателя вращается с частотой
то скольжение S равно …