Электротехника и электроника (Основы теории цепей) – страница 30
1 
Поток вектора электрического смещения сквозь замкнутую поверхность S, ограничивающую объем V (см. рисунок), равен …

Поток вектора электрического смещения сквозь замкнутую поверхность S, ограничивающую объем V (см. рисунок), равен …
2 
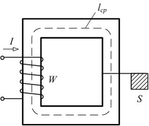
Если магнитный поток в сердечнике
число витков обмотки
ток в обмотке
то индуктивность катушки равна ___ Гн.

Если магнитный поток в сердечнике
число витков обмотки
ток в обмотке
то индуктивность катушки равна ___ Гн.В однородной диэлектрической среде с
распространяется плоская гармоническая волна. Волновое сопротивление среды 
распространяется плоская гармоническая волна. Волновое сопротивление среды 
5 
По отрезку длиной l круглого провода радиуса r протекает ток I. Напряженность электрического поля внутри провода равна ____

По отрезку длиной l круглого провода радиуса r протекает ток I. Напряженность электрического поля внутри провода равна ____

6 
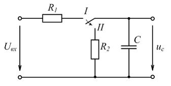
График изменения напряжения
при переводе переключателя из положения I в положение II изображен на рисунке …

График изменения напряжения
при переводе переключателя из положения I в положение II изображен на рисунке …В распространяющейся в воздухе плоской гармонической волне при частоте колебаний
длина волны
равна ___ 
длина волны
равна ___ 
В диэлектрик с относительной диэлектрической проницаемостью
помещен точечный заряд
На расстоянии
от заряда величина вектора электрического смещения
равна _____ 
помещен точечный заряд
На расстоянии
от заряда величина вектора электрического смещения
равна _____ 
При всяком изменении магнитного поля во времени в том же пространстве возникает индуцированное поле. Линии напряженности индуцированного электрического поля 

В распространяющейся в однородной и изотропной проводящей среде плоской гармонической волне комплексное действующее значение напряженности электрического поля
Волновое сопротивление проводящей среды
равно ___ Ом.
Волновое сопротивление проводящей среды
равно ___ Ом.В электростатическом поле на поверхности раздела двух однородных и изотропных диэлектриков с различными абсолютными диэлектрическими проницаемостями
и
справедливы граничные условия …
а)
б)
в)
г)
и
справедливы граничные условия …а)

б)

в)

г)

При распространении плоской гармонической волны в однородной проводящей среде на расстоянии, равном длине волны
амплитуды напряженностей электрического и магнитного полей уменьшаются по сравнению с их значениями на поверхности проводящей среды в ____ раз.
амплитуды напряженностей электрического и магнитного полей уменьшаются по сравнению с их значениями на поверхности проводящей среды в ____ раз.

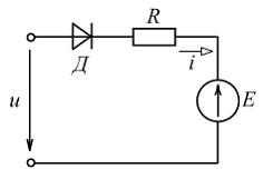
максимальное обратное напряжение на диоде 

и
не зависит координаты z, то 