Электротехника и электроника (Основы теории цепей) – страница 3
1 
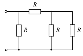
Для изображенной схемы количество независимых уравнений, составляемых по первому и второму законам Кирхгофа, равно _________ соответственно.

Для изображенной схемы количество независимых уравнений, составляемых по первому и второму законам Кирхгофа, равно _________ соответственно.
Если комплексное действующее значение тока
то выражение для мгновенного тока i имеет вид …
то выражение для мгновенного тока i имеет вид …Действующее значение U несинусоидального напряжения
равно ___ В.
равно ___ В.10 
На рисунке приведены векторные диаграммы тока и напряжения на зажимах пассивных двухполюсников. Равна нулю активная мощность двухполюсника (двухполюсников) …

На рисунке приведены векторные диаграммы тока и напряжения на зажимах пассивных двухполюсников. Равна нулю активная мощность двухполюсника (двухполюсников) …
13 
На сердечник из электротехнической стали намотана разделенная на две части с числом витков
и
катушка, питаемая постоянным током. Величина МДС катушки равна ______, она направлена в верхней части катушки в сторону _________.

На сердечник из электротехнической стали намотана разделенная на две части с числом витков
и
катушка, питаемая постоянным током. Величина МДС катушки равна ______, она направлена в верхней части катушки в сторону _________.Для уравнений четырехполюсника в Н-форме положительные направления токов и напряжений соответствуют рисунку …


ток I равен ___ А.

ток
равен _____ А.
то эквивалентное сопротивление цепи
равно ___ Ом.
мощность источника ЭДС
равна ___ Вт.