Электротехника и электроника (Основы теории цепей) – страница 28
2 
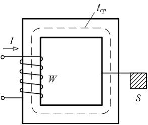
Если магнитный поток в сердечнике
длина его средней линии
площадь поперечного сечения
то магнитная индукция в сердечнике равна ____ Тл.

Если магнитный поток в сердечнике
длина его средней линии
площадь поперечного сечения
то магнитная индукция в сердечнике равна ____ Тл.Действующая на помещенный в однородное магнитное поле с индукцией
прямолинейный проводник длиной
с током
сила
равна ____ Н (направление вектора
принять совпадающим с направлением тока I).
прямолинейный проводник длиной
с током
сила
равна ____ Н (направление вектора
принять совпадающим с направлением тока I).5 

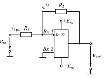
Для изображенной цепи с идеальным диодом на рисунках а, б, в и г приведены зависимости напряжений на ее элементах от времени. Напряжение и равно сумме характеристик …


Для изображенной цепи с идеальным диодом на рисунках а, б, в и г приведены зависимости напряжений на ее элементах от времени. Напряжение и равно сумме характеристик …
В режиме холостого хода поступающая в трансформатор мощность затрачивается в основном на покрытие потерь в …
12 
Резистор с сопротивлением
подключен через диод с заданной на рисунке вольт-амперной характеристикой. Сопротивление диода в обратном направлении
равно ____ Ом.

Резистор с сопротивлением
подключен через диод с заданной на рисунке вольт-амперной характеристикой. Сопротивление диода в обратном направлении
равно ____ Ом.13 
Если в слое плоского конденсатора с диэлектрической проницаемостью
напряженность электрического поля
то в слое с диэлектрической проницаемостью
напряженность
равна ____ 

Если в слое плоского конденсатора с диэлектрической проницаемостью
напряженность электрического поля
то в слое с диэлектрической проницаемостью
напряженность
равна ____ 
Скорость распространения плоской электромагнитной волны в однородном и изотропном диэлектрике с
равна ___ 
равна ___ 

При
мгновенное значение напряжения на диоде 
слагаемое
− это плотность …

и
равен …


При
мгновенное значение тока 
