Электротехника и электроника (Основы теории цепей) – страница 26
Если переходное напряжение на конденсаторе
то постоянная времени равна ___ с.
то постоянная времени равна ___ с.3 
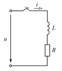
Индуктивная катушка с индуктивностью L и сопротивлением R подключается к источнику синусоидального напряжения
Дифференциальное уравнение для рассматриваемой цепи имеет вид …

Индуктивная катушка с индуктивностью L и сопротивлением R подключается к источнику синусоидального напряжения
Дифференциальное уравнение для рассматриваемой цепи имеет вид …4 
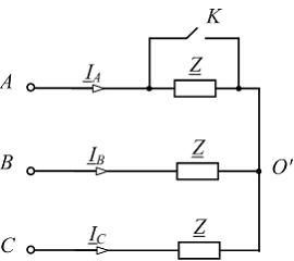
Если увеличить сопротивление
в два раза, то длительность переходного процесса при размыкании выключателя В …

Если увеличить сопротивление
в два раза, то длительность переходного процесса при размыкании выключателя В …5 
Если
то при переводе переключателя из положения I в положение II напряжение на конденсаторе будет изменяться с постоянной времени, равной ____ мс.

Если
то при переводе переключателя из положения I в положение II напряжение на конденсаторе будет изменяться с постоянной времени, равной ____ мс.6 
Если характеристическое уравнение цепи разрядки конденсатора (см. рисунок) имеет корни
и
то решение для свободной составляющей напряжения
имеет вид …

Если характеристическое уравнение цепи разрядки конденсатора (см. рисунок) имеет корни
и
то решение для свободной составляющей напряжения
имеет вид …8

Резистор
подключен к источнику синусоидального напряжения
через диод D, вольт-амперная характеристика которого задана. Временная диаграмма тока i имеет вид …

Резистор
подключен к источнику синусоидального напряжения
через диод D, вольт-амперная характеристика которого задана. Временная диаграмма тока i имеет вид …В диэлектрик помещен точечный электрический заряд q. На расстоянии r от заряда q напряженность электрического поля Е равна …
Принцип непрерывности линий магнитной индукции выражается дифференциальным соотношением …
14 
В электростатическом поле, эквипотенциальные линии 1 и 2 которого с потенциалами
и
изображены на рисунке, направление вектора
в точке А совпадает с вектором …

В электростатическом поле, эквипотенциальные линии 1 и 2 которого с потенциалами
и
изображены на рисунке, направление вектора
в точке А совпадает с вектором …В проводящей среде с удельной проводимостью
плотность тока равна
Потери мощности в единице объема проводящей среды
равны _____ 
плотность тока равна
Потери мощности в единице объема проводящей среды
равны _____ 

после размыкания выключателя В равно …
и
…

Зависимости
соответствует рисунок …