Электротехника и электроника (Основы теории цепей) – страница 23
Для уравнений четырехполюсника в А-форме положительные направления токов и напряжений соответствуют рисунку …
10 
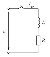
Индуктивная катушка с индуктивностью L и сопротивлением R подключается к источнику синусоидального напряжения
Установившейся ток
равен …

Индуктивная катушка с индуктивностью L и сопротивлением R подключается к источнику синусоидального напряжения
Установившейся ток
равен …Вектор магнитной индукции
равен …
равен …


и
(см. схему) является соотношение …


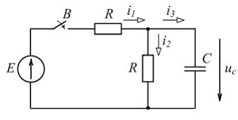
то мощность, доставляемая в цепь источником ЭДС, равна ___ Вт.
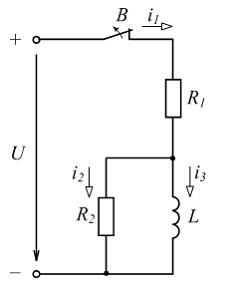
после размыкания выключателя В равно …
ЭДС Е равна ___ В.
