Электротехника и электроника (Основы теории цепей) – страница 22
Если в цепи с последовательным соединением R, L и C элементов
то комплексная мощность
цепи равна ____ ВА.
то комплексная мощность
цепи равна ____ ВА.В четырехпроводной трехфазной цепи нейтральный провод обеспечивает симметрию __________ несимметричного приемника.
11 
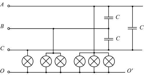
Если к лампам накаливания (см. рисунок) подводится напряжение
то к конденсаторам – напряжение, равное ____ В.

Если к лампам накаливания (см. рисунок) подводится напряжение
то к конденсаторам – напряжение, равное ____ В.



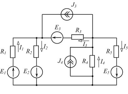
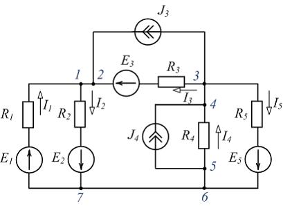
…




цепи равно …
эквивалентного генератора равно …
то ток
равен ___ А.