Электротехника и электроника (Основы теории цепей) – страница 20
Связь между электрическим током и напряженностью магнитного поля устанавливается законом …
Для четырехполюсника c известными уравнениями в Z-форме

входное сопротивление
в режиме короткого замыкания равно ___ Ом.

входное сопротивление
в режиме короткого замыкания равно ___ Ом.Возможны ____ форм(-ы) записи уравнений пассивного четырехполюсника.
5 
На рисунке приведена осциллограмма напряжения и тока пассивного двухполюсника. Угол сдвига фаз
равен ____ рад.

На рисунке приведена осциллограмма напряжения и тока пассивного двухполюсника. Угол сдвига фаз
равен ____ рад.10 
Два нелинейных резистивных элемента с одинаковыми вольт-амперными характеристиками (см. рис.) соединены параллельно. Если ток на входе цепи равен
то входное напряжение равно ____ В.

Два нелинейных резистивных элемента с одинаковыми вольт-амперными характеристиками (см. рис.) соединены параллельно. Если ток на входе цепи равен
то входное напряжение равно ____ В.15 
На рисунке приведена осциллограмма напряжения и тока пассивного двухполюсника. Если взять начало отсчета времени в т. О1, то начальная фаза
напряжения равна ____ рад.

На рисунке приведена осциллограмма напряжения и тока пассивного двухполюсника. Если взять начало отсчета времени в т. О1, то начальная фаза
напряжения равна ____ рад.


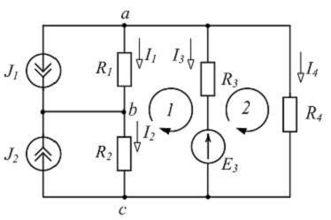
равна ___ А.
равно …
рассеиваемая в резисторе R мощность Р равна ___ Вт.
то напряжение u равно ____ В.
эквивалентного генератора равно ____ Ом.
равно …

