Электротехника и электроника (Основы теории цепей) – страница 19
Линия, вдоль которой волны всех частот распространяются с одинаковой фазовой скоростью и затухают в равной степени, является …
Для четырехполюсника с известными уравнениями в Z-форме

коэффициент передачи напряжения при холостом ходе равен …

коэффициент передачи напряжения при холостом ходе равен …
7 
С ростом тока статическое сопротивление стабилитрона, участок вольт-амперной характеристики которого приведен на рисунке, …

С ростом тока статическое сопротивление стабилитрона, участок вольт-амперной характеристики которого приведен на рисунке, …
11 
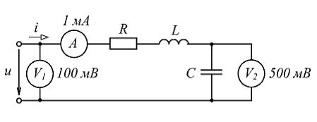
Если
то напряжение, измеряемое вольтметром магнитоэлектрической системы, (см. рис.) равно ____ В.

Если
то напряжение, измеряемое вольтметром магнитоэлектрической системы, (см. рис.) равно ____ В.



эквивалентного генератора с заданной вольт-амперной характеристикой равна _____ В.

то комплексное входное сопротивление
цепи равно ____ Ом.
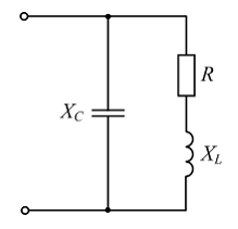
Резонансная частота
равна ____ рад/с.

входное сопротивление
равно ___ Ом.