Электротехника и электроника (Основы теории цепей) – страница 18
1 
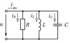
Напряжение на входе схемы содержит, кроме основной, высшие гармоники. Совпадает по форме с кривой напряжения кривая тока …

Напряжение на входе схемы содержит, кроме основной, высшие гармоники. Совпадает по форме с кривой напряжения кривая тока …
Если в линии длиной
при согласованной нагрузке напряжение в начале линии
напряжение в конце линии
то коэффициент затухания равен _____
при согласованной нагрузке напряжение в начале линии
напряжение в конце линии
то коэффициент затухания равен _____
Если сопротивления симметричного четырехполюсника в режимах холостого хода и короткого замыкания
то его характеристическое сопротивление
равно ___ Ом.
то его характеристическое сопротивление
равно ___ Ом.Ток смещения ничтожно мал по сравнению с током проводимости даже при весьма высоких частотах в деталях, выполненных из …
9 
На рисунке приведен рабочий участок вольт-амперной характеристики полупроводникового стабилитрона. Дифференциальное сопротивление стабилитрона равно ___ кОм.

На рисунке приведен рабочий участок вольт-амперной характеристики полупроводникового стабилитрона. Дифференциальное сопротивление стабилитрона равно ___ кОм.
10 
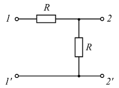
Для четырехполюсника, схема которого приведена на рисунке, сопротивления
и
соответственно равны …

Для четырехполюсника, схема которого приведена на рисунке, сопротивления
и
соответственно равны …14 
Вольт-амперной характеристикой линейного резистивного элемента (см. рисунок) является зависимость …

Вольт-амперной характеристикой линейного резистивного элемента (см. рисунок) является зависимость …
15 
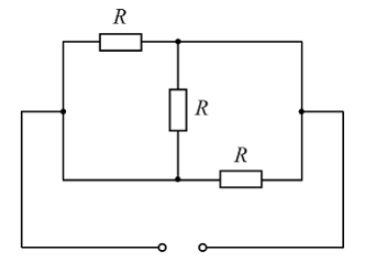
Если
то внутреннее сопротивление
эквивалентного генератора относительно точек а и b равно ___ Ом.

Если
то внутреннее сопротивление
эквивалентного генератора относительно точек а и b равно ___ Ом.

первого контура равно …
то входное сопротивление
цепи равно ____ Ом.
то мощность активного двухполюсника А равна ___ Вт.
ток I равен ___ А.