Электротехника и электроника (Основы теории цепей) – страница 15
1 
Два нелинейных резистивных элемента с одинаковыми вольт-амперными характеристиками (см. рис.) соединены последовательно. Если ток в цепи равен
то напряжение на входе цепи равно ____ В.

Два нелинейных резистивных элемента с одинаковыми вольт-амперными характеристиками (см. рис.) соединены последовательно. Если ток в цепи равен
то напряжение на входе цепи равно ____ В.Если при параллельном соединении двух одинаковых резисторов эквивалентное сопротивление равно
то при последовательном соединении этих же резисторов эквивалентное сопротивление будет равно ___ Ом.
то при последовательном соединении этих же резисторов эквивалентное сопротивление будет равно ___ Ом.Для четырехполюсника с известными уравнениями в Z-форме

коэффициент передачи тока в режиме короткого замыкания равен …

коэффициент передачи тока в режиме короткого замыкания равен …
5 
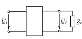
Симметричный четырехполюсник нагружен повторным сопротивлением. Если
то коэффициент затухания
равен ___ Hn.

Симметричный четырехполюсник нагружен повторным сопротивлением. Если
то коэффициент затухания
равен ___ Hn.9 
Если источник
доставляет в цепь мощность
резистивные элементы
и
потребляют мощность
то источник
___________ мощность
равную ____ Вт.

Если источник
доставляет в цепь мощность
резистивные элементы
и
потребляют мощность
то источник
___________ мощность
равную ____ Вт.Участок с отрицательным дифференциальным сопротивлением имеется в вольт-амперной характеристике, изображенной на рисунке …
12 
Симметричный четырехполюсник нагружен повторным сопротивлением. Если
то коэффициент фазы
равен ___ рад.

Симметричный четырехполюсник нагружен повторным сопротивлением. Если
то коэффициент фазы
равен ___ рад.15 
На изображенной схеме замещения нагрузкой источника является резистор с сопротивлением
При
внутреннее сопротивление источника
равно ____ Ом.

На изображенной схеме замещения нагрузкой источника является резистор с сопротивлением
При
внутреннее сопротивление источника
равно ____ Ом.

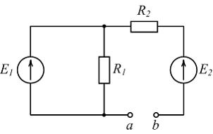
то ЭДС Е равна ___ В.
равна …
то эквивалентное сопротивление
цепи относительно точек а и b равно ____ Ом.
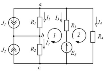
четырехполюсника, изображенного на рисунке, коэффициент
равен …