Электротехника и электроника (Основы теории цепей) – страница 14
1 
Если при частоте f сопротивления
то при частоте
реактивное сопротивление
цепи будет равно ____ Ом.

Если при частоте f сопротивления
то при частоте
реактивное сопротивление
цепи будет равно ____ Ом.Если комплексное действующее значение ЭДС
то мгновенное значение ЭДС е равно ____ В.
то мгновенное значение ЭДС е равно ____ В.Если резонансная частота последовательного контура
добротность
то полоса пропускания
этого контура равна ___ рад/с.
добротность
то полоса пропускания
этого контура равна ___ рад/с.9 
Зависимостью
реального источника электрической энергии, получившей название внешней характеристики (см. рисунок), является вольт-амперная характеристика …

Зависимостью
реального источника электрической энергии, получившей название внешней характеристики (см. рисунок), является вольт-амперная характеристика …10 
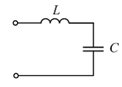
Если характеристическое уравнение цепи разрядки конденсатора (см. рисунок) имеет корни
то решение для свободной составляющей напряжения
имеет вид …

Если характеристическое уравнение цепи разрядки конденсатора (см. рисунок) имеет корни
то решение для свободной составляющей напряжения
имеет вид …11 
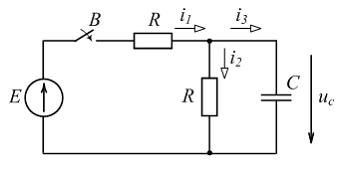
После замыкания выключателя (см. рисунок) переходное напряжение
Переходный процесс можно считать практически законченным за время t, равное …

После замыкания выключателя (см. рисунок) переходное напряжение
Переходный процесс можно считать практически законченным за время t, равное …12 
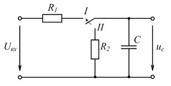
Если
то при переводе переключателя из положения II в положение I напряжение на конденсаторе будет изменяться с постоянной времени, равной ____ мс.

Если
то при переводе переключателя из положения II в положение I напряжение на конденсаторе будет изменяться с постоянной времени, равной ____ мс.
то
равно _____ В.



и переходный ток
то переходный ток
равен ___ А.
то мощность, выделяющаяся в сопротивлении R, равна ___ Вт.
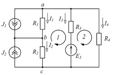
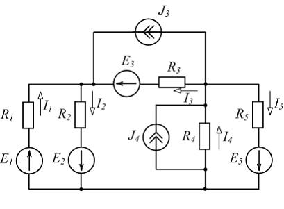
ток в ветви
то контурный ток
равен _____ А.