Электротехника и электроника (Основы теории цепей) – страница 13
Связь между изменяющимся во времени магнитным потоком и индуцированной им в контуре ЭДС выражает закон …
Если сопротивления четырехполюсника в режимах холостого хода и короткого замыкания
то сопротивление
равно ____ Ом.
то сопротивление
равно ____ Ом.3 
Симметричный четырехполюсник (см. рис.) работает в режиме согласованной нагрузки. Если
то постоянная передачи
равна …

Симметричный четырехполюсник (см. рис.) работает в режиме согласованной нагрузки. Если
то постоянная передачи
равна …В линии с распределенными параметрами коэффициент распространения
При допустимом ослаблении сигнала, равном
наибольшая длина линии
равна ____ км.
При допустимом ослаблении сигнала, равном
наибольшая длина линии
равна ____ км.Если вольт-амперная характеристика нелинейного резистивного элемента задана уравнением
(напряжение в вольтах, ток в амперах), то при токе
дифференциальное сопротивление элемента равно ___ Ом.
(напряжение в вольтах, ток в амперах), то при токе
дифференциальное сопротивление элемента равно ___ Ом.Равенство
выражает …
выражает …13 
В схеме цепи разрядки конденсатора на индуктивную катушку в зависимости от соотношения параметров
и
элементов возможны три вида корней характеристического уравнения:
1)

2)

3)
Переходный процесс носит апериодический характер в случае (-ях) …

В схеме цепи разрядки конденсатора на индуктивную катушку в зависимости от соотношения параметров
и
элементов возможны три вида корней характеристического уравнения:1)

2)

3)

Переходный процесс носит апериодический характер в случае (-ях) …

входное сопротивление
цепи равно ____ Ом.

ток в ветви
то ток
источника тока равен ____ А.
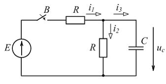
от времени после размыкания выключателя имеет вид …
то переходное напряжение
равно ____ В.



равна ___ А.