Электротехника и электроника (Основы теории цепей) – страница 12
1

Нелинейный элемент с заданной вольт-амперной характеристикой и линейный элемент с сопротивлением
соединены последовательно. Напряжение
будет больше
при …

Нелинейный элемент с заданной вольт-амперной характеристикой и линейный элемент с сопротивлением
соединены последовательно. Напряжение
будет больше
при …5 Ток i в проводах, соединяющих конденсатор с источником напряжения, равен …
7

Задана вольт-амперная характеристика нелинейного элемента, сопротивление линейного элемента
. Если напряжение
, то ток
на входе схемы равен ____ А.

Задана вольт-амперная характеристика нелинейного элемента, сопротивление линейного элемента
. Если напряжение
, то ток
на входе схемы равен ____ А.Нелинейный индуктивный элемент характеризуется нелинейной ______________ характеристикой.
Четырем
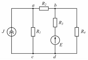
равно эквивалентное входное сопротивление цепи, схема которой изображена на рисунке …
равно эквивалентное входное сопротивление цепи, схема которой изображена на рисунке …13 
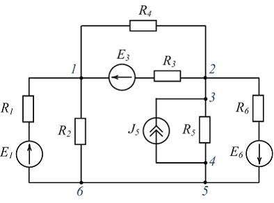
При расчете токов в ветвях изображенной схемы число составленных по второму закону Кирхгофа независимых уравнений равно …

При расчете токов в ветвях изображенной схемы число составленных по второму закону Кирхгофа независимых уравнений равно …
14 
Зависимостью U(I) нелинейного резистивного элемента с сопротивлением R, уменьшающимся при увеличении тока I, является (см. рисунок) вольт-амперная характеристика …

Зависимостью U(I) нелинейного резистивного элемента с сопротивлением R, уменьшающимся при увеличении тока I, является (см. рисунок) вольт-амперная характеристика …


изображенного участка цепи равно …


