Электротехника и электроника (Основы теории цепей) – страница 11
Если в распространяющейся в однородной и изотропной проводящей среде с параметрами
и
плоской электромагнитной волне напряженность магнитного поля
то напряженность электрического поля в этой волне
.
и
плоской электромагнитной волне напряженность магнитного поля
то напряженность электрического поля в этой волне
.4 
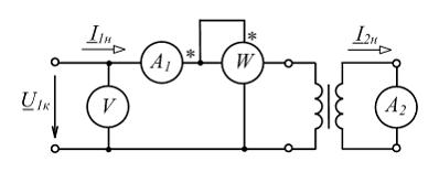
Мощность, измеренная ваттметром в опыте короткого замыкания трансформатора, есть мощность потерь в …

Мощность, измеренная ваттметром в опыте короткого замыкания трансформатора, есть мощность потерь в …
6
Для асинхронного RS-триггера, схема которого изображена на рисунке, недопустимой (запрещенной) является комбинация …
Для асинхронного RS-триггера, схема которого изображена на рисунке, недопустимой (запрещенной) является комбинация …
7 
В электростатическом поле, эквипотенциальные линии 1 и 2 которого с потенциалами
и
изображены на рисунке, направление вектора напряженности электрического поля
в точке А совпадает с вектором …

В электростатическом поле, эквипотенциальные линии 1 и 2 которого с потенциалами
и
изображены на рисунке, направление вектора напряженности электрического поля
в точке А совпадает с вектором …8 
На рисунке изображено поперечное сечение кабеля. Вследствие несовершенства изоляции в кабеле возникает ток утечки, линии плотности тока
которого направлены радиально к поверхностям прямого А и обратного В проводов кабеля. При удельной проводимости материала изоляции кабеля, равной
, проводимость
току утечки через изоляцию отрезка кабеля длиной l равна …

На рисунке изображено поперечное сечение кабеля. Вследствие несовершенства изоляции в кабеле возникает ток утечки, линии плотности тока
которого направлены радиально к поверхностям прямого А и обратного В проводов кабеля. При удельной проводимости материала изоляции кабеля, равной
, проводимость
току утечки через изоляцию отрезка кабеля длиной l равна …Если при номинальной нагрузке магнитная индукция в магнитопроводе трансформатора
то при половинной нагрузке она будет равна ___ Тл.
то при половинной нагрузке она будет равна ___ Тл.У асинхронного двигателя с короткозамкнутым ротором электромагнитный момент максимален при скольжении S, равном …
В плоской электромагнитной волне, свободно распространяющейся в однородном и изотропном диэлектрике, векторы напряженностей электрического
и магнитного
полей, изменяющиеся во времени по гармоническому закону, …
и магнитного
полей, изменяющиеся во времени по гармоническому закону, …13 
На рисунке изображена внешняя характеристика источника питания. Его внутреннее сопротивление
равно ____ Ом.

На рисунке изображена внешняя характеристика источника питания. Его внутреннее сопротивление
равно ____ Ом.Напряжение
между точками a и b электрической цепи равно …
между точками a и b электрической цепи равно …